Bảo vệ chống sét cho máy CNC
CNC là viết tắt của "Computer Numerical Control", tức là hệ thống điều khiển số bằng máy tính, được sử dụng để điều khiển tự động các thiết bị gia công như máy khoan, máy tiện, máy phay và máy in 3D thông qua máy tính.
Tùy thuộc vào ứng dụng cụ thể, máy CNC có các loại điện tử khác nhau, bao gồm: điện tử chuyên dụng / PLC / màn hình hiển thị có hoặc không có màn hình cảm ứng, giao diện kết nối với máy tính, v.v.
Sự cố trong máy CNC xảy ra do hai yếu tố gây nhiễu quan trọng (biến số hiện diện) trong các lỗi trạng thái ổn định và lỗi tạm thời của mạng điện áp thấp.
Lỗi trạng thái ổn định chủ yếu bao gồm quá áp kéo dài trong vài chu kỳ (swell), hài, tác động của RFI/EMI, v.v.
Lỗi tạm thời bao gồm các hiện tượng quá áp tạm thời, chẳng hạn như sét đánh và quá áp do chuyển mạch, phát sinh từ các hoạt động như hàn, chuyển mạch tụ điện, v.v.
Hai nguyên nhân chính dẫn đến sự cố do sét đánh
Sét đánh trực tiếp. Điều này rất hiếm xảy ra vì các máy CNC được lắp đặt bên trong một cấu trúc và được cấp điện từ các bảng phân phối phụ, trong khi chỉ có bảng phân phối chính (DB) phải chịu tác động chính của sét đánh trực tiếp ở những khu vực dễ bị sét đánh. Lý do khác, thường bị bỏ qua, là sét đánh cảm ứng. Trong trường hợp này, dòng điện sét được truyền qua tất cả các loại cáp trừ cáp quang.
Trước khi thảo luận về SPDs, chúng ta hãy tìm hiểu trước về hiện tượng sốc điện và cách nó ảnh hưởng đến các máy CNC của chúng ta, để việc lắp đặt các SPD phù hợp cho việc bảo vệ máy CNC trở nên dễ dàng hơn.
Nói một cách đơn giản, hiện tượng tăng đột biến là sự gia tăng đột ngột về dòng điện và điện áp trong một khoảng thời gian ngắn (350 microgiây trong trường hợp sét đánh và 20 microgiây trong trường hợp chuyển mạch). Có nhiều nguồn gây ra hiện tượng tăng đột biến.
Các đợt tăng áp tạm thời nhân tạo xảy ra do các hiện tượng như mất điện cục bộ, mất điện hoàn toàn, chuyển mạch tụ điện, việc bật/tắt thường xuyên các thiết bị công suất lớn, hàn điện, phóng điện tĩnh, v.v. Thiên nhiên tạo ra hai loại đợt tăng áp: sét đánh trực tiếp, rất hiếm gặp, và đợt tăng áp gián tiếp do sét đánh từ xa, khá phổ biến.
Bảo vệ hệ thống điện tử của máy CNC khỏi các đợt tăng áp đột ngột và tránh hỏng hóc bộ nhớ Eprom.
Nhiều người cho rằng trừ khi họ thấy bo mạch in (PCB) bị cháy xém, họ sẽ không chấp nhận rằng vấn đề là do tác động của sét hoặc xung điện chuyển mạch. Vấn đề phổ biến hơn mà chúng ta thường gặp trong hoạt động bình thường của hệ thống là sự hỏng hóc của bộ nhớ EPROM (Erasable Programmable Read-only memory).
Điều này có thể nhận thấy qua việc xuất hiện đột ngột dữ liệu rác trên bảng điều khiển MMI (Giao diện Người-Máy). Thông thường, việc đặt vòng lặp PLC hoặc DCS vào chế độ thủ công, tháo EPROM bị hỏng, xóa nó bằng máy xóa UV, lập trình lại và đưa nó trở lại hoạt động không phải là một thực hành phổ biến, vì đây là một quá trình kéo dài và tốn thời gian, dẫn đến mất sản lượng. Nếu chúng ta xem xét tại sao EPROM lại bị hỏng đột ngột như vậy, nguyên nhân chính là do các đợt tăng áp đột ngột.
Bởi vì, trong quá trình lập trình, một điện áp cao hơn điện áp làm việc bình thường được áp dụng cho các chân cụ thể của EPROM (để EPROM nhận biết rằng nó đang ở chế độ lập trình chứ không phải chế độ hoạt động bình thường).
Trong trường hợp xảy ra sự cố tăng áp đột ngột, hiện tượng tương tự cũng xảy ra. Do điện áp cao đột ngột xuất hiện trên các chân của IC, nó cho rằng mình đang ở chế độ lập trình và các chân khác cũng bị ảnh hưởng do điện áp cao đột ngột xuất hiện trên các chân.
Đây là nguyên nhân gây ra hiện tượng thu thập EPROM. Do đó, cường độ của các đợt tăng áp là nguyên nhân duy nhất dẫn đến hỏng hóc hoặc hư hỏng chương trình trong máy CNC. Các linh kiện SMD và thiết bị điện tử của máy CNC được thiết kế để chịu được sự tăng nhẹ về mức điện áp, nằm hoàn toàn trong giới hạn cho phép.
Điều này được gọi là khả năng chịu đựng điện áp của thiết bị, và thông thường là 1000 V AC RMS trong 1 phút đối với PLC và thiết bị điện tử có điện áp nguồn vào AC 230V. Nếu xảy ra một đợt tăng áp với mức độ này, thiết bị sẽ không bị hư hỏng. Các mức này cao hơn giới hạn dung sai tiêu chuẩn; theo thời gian, chúng đủ cao để gây hư hỏng vĩnh viễn cho thiết bị.
Những quan niệm sai lầm phổ biến:
Thông thường, chúng tôi cho rằng không cần thiết phải áp dụng SPDs vì chúng tôi đã có một số biện pháp bảo vệ hiện có khác, cụ thể là:. Thiết bị chống sét ngoài trời, MCB/MCCB, hệ thống tiếp đất tốt, liên kết, bảo vệ, biến áp cách ly, UPS, rào cản an toàn nội tại, bộ cách ly.
Rất tiếc, mục đích của tất cả các thiết bị này hoàn toàn khác nhau và không nhằm bảo vệ thiết bị khỏi các đợt tăng áp đột ngột. Hãy cùng phân tích phạm vi ứng dụng của từng loại thiết bị.
- Bảo vệ chống sét bên ngoài với hệ thống tiếp đất tốt Để bảo vệ tòa nhà khỏi các tia sét đánh trực tiếp.
- MCB (Cầu dao mini) hoặc MCCB (Cầu dao vỏ đúc) Để bảo vệ thiết bị khỏi các sự cố chập mạch do dòng điện sự cố tần số lưới gây ra. MCB hoặc MCCB hoạt động trong khoảng thời gian mili giây, có nghĩa là trước khi MCB hoặc MCCB phát hiện được các đợt tăng áp, các đợt tăng áp đó đã đi qua chúng và gây hư hỏng cho thiết bị.
- Đấu đất Điều này nhằm đảm bảo an toàn cho cả nhân viên và thiết bị.
- Kết dính Để giảm điện trở đất và duy trì điện thế bằng nhau.
- Bảo vệ Được thực hiện để bảo vệ thiết bị khỏi tác động của RFI/EMI.
- Biến áp cách ly Chủ yếu được sử dụng để bảo vệ thiết bị khỏi các sự cố xảy ra ở phía sơ cấp. Ví dụ, trong trường hợp xảy ra chập mạch ở phía sơ cấp, các thiết bị kết nối với phía thứ cấp sẽ không bị ảnh hưởng nếu chúng được kết nối thông qua biến áp cách ly.
- Nguồn điện liên tục (UPS) Như chính tên gọi đã gợi ý, các thiết bị này được sử dụng để cung cấp nguồn điện liên tục thông qua pin trong trường hợp mất điện lưới hoặc để điều chỉnh nguồn điện trong một dải hẹp.
- Rào cản an toàn nội tại hoặc Bộ cách ly Được sử dụng trong các khu vực nhà máy có nguy cơ cao (ví dụ: nhà máy lọc dầu, nhà máy hóa dầu, nhà máy phân bón, v.v.) để giới hạn năng lượng điện ở mức rất thấp, sao cho ngay cả trong trường hợp xảy ra chập điện, công suất có sẵn cũng quá thấp để gây ra tia lửa hoặc cháy.
Do đó, SPD là thiết bị bảo vệ duy nhất cho máy CNC khỏi các đợt tăng áp đột ngột. Bây giờ, chúng ta có thể thảo luận về việc lựa chọn và lắp đặt SPD phù hợp để đảm bảo hoạt động ổn định của máy CNC.
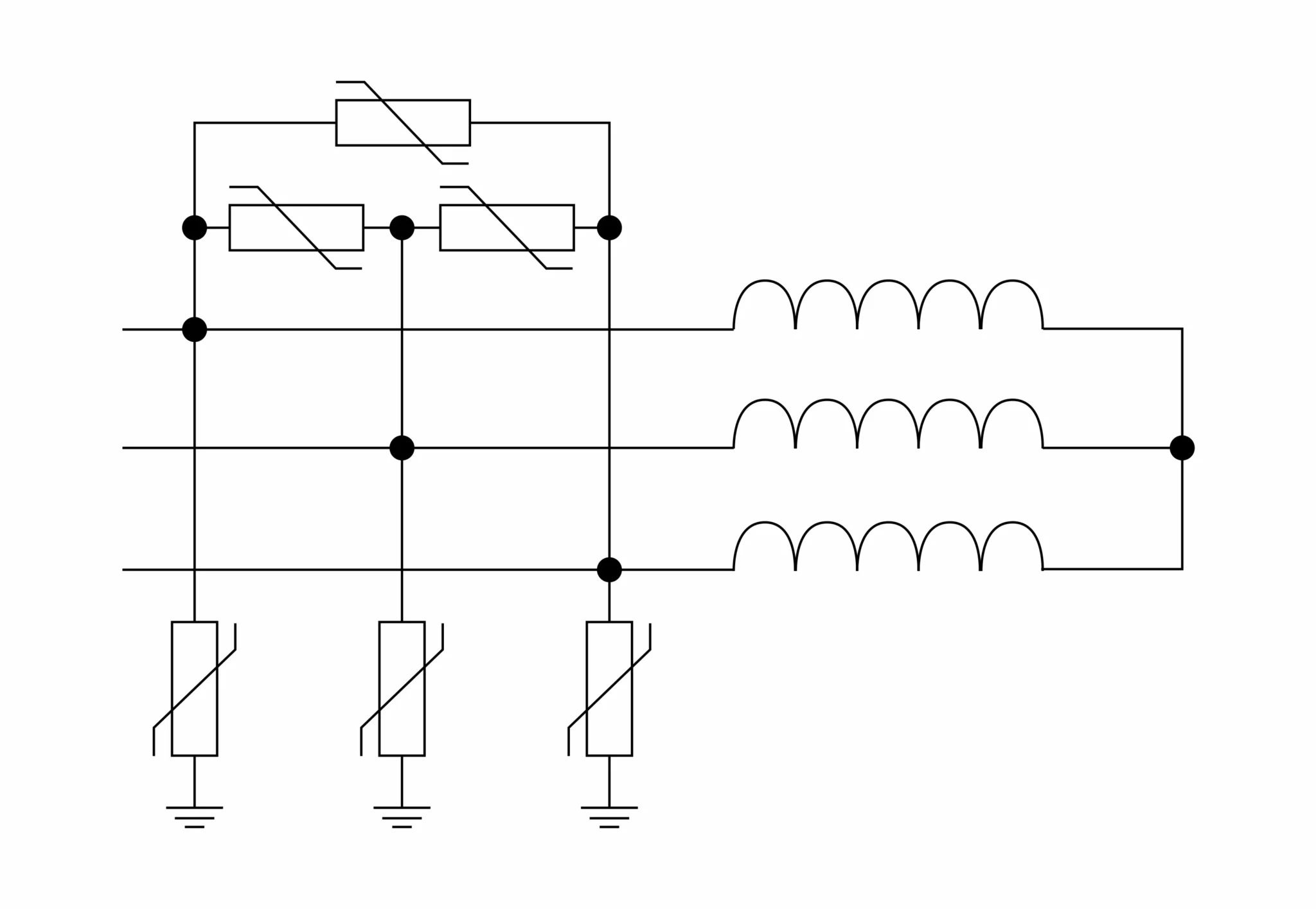
Tùy thuộc vào nguồn cấp điện cho máy CNC (ví dụ: 3 pha có trung tính hoặc không có trung tính), các thiết bị bảo vệ quá áp (SPDs) phải được lắp đặt với tiếp điểm không tiềm năng, bộ ngắt nhiệt, bao gồm phần tử cơ bản và bộ ngắt có thể tháo rời, được kết nối giữa pha và trung tính (3 cái cho 3 pha đến trung tính) và giữa trung tính và đất bảo vệ. Các SPD cho nguồn điện 3 pha (L-N), (N-E) tại bảng phân phối chính hoặc bảng phân phối phụ hoặc bảng phân phối nhánh phải có l MOVs cho L-N (với MCOV 275 V để xử lý dao động nguồn điện) và khe hở tia lửa cho N-E. Yêu cầu lớp là Lớp I + II theo IEC 61643-11. Đây là cấp độ bảo vệ đầu tiên.
Để MMI có nguồn điện 24V DC hoặc PLC với DI/DO, cần lựa chọn các thiết bị bảo vệ quá áp (SPD) phù hợp, ngoài việc đã trang bị SPD loại I + II trên bảng phân phối chính.
Danh sách các thiết bị cần bảo vệ chống sét như sau:
| Các loại máy móc | |
| Công cụ máy móc: | Cắt kim loạiCông nghệ tạo hình kim loại |
| Máy móc sản xuất nhựa: | Máy ép phunMáy ép đùnMáy ép thổiMáy gia công chuyên dụngMáy ép nhiệtMáy giảm kích thước |
| Máy móc chế biến gỗ: | Máy móc chế biến gỗMáy móc ép laminateMáy móc xưởng cưa |
| Thiết bị xử lý vật liệu: | Robot công nghiệpMáy chuyển giaoMáy phân loại |
| Máy kiểm tra/thử nghiệm: | Máy đo tọa độMáy đo trong quá trình sản xuất |
| Máy đóng gói: | Máy đóng đai thùng cartonMáy đóng thùng trốngMáy xếp pallet |
Bảo vệ quá áp CNC và lọc nguồn điện
Bảo vệ chống sét và quá áp đối với thiết bị CNC (Điều khiển số bằng máy tính) là yếu tố quan trọng hàng đầu trong việc bảo vệ những máy móc phức tạp và giá trị này khỏi tác động hủy hoại của các dao động và quá áp. Thiết bị CNC, bao gồm nhiều loại máy móc từ máy tiện, máy phay đến hệ thống laser và máy in 3D, đóng vai trò quan trọng trong các quy trình sản xuất hiện đại. Những máy móc này dễ bị ảnh hưởng bởi sự biến động điện áp, đỉnh điện áp đột biến và các đợt tăng áp điện, có thể phát sinh từ nhiều nguồn khác nhau như sét đánh, biến động lưới điện hoặc quá trình chuyển đổi thiết bị.
Tầm quan trọng của việc bảo vệ máy CNC khỏi sự tăng áp đột ngột
Việc triển khai bảo vệ chống sốc điện giúp bảo vệ máy CNC khỏi các biến động điện áp, ngăn ngừa thiệt hại nghiêm trọng có thể dẫn đến thời gian ngừng hoạt động, mất mát vật liệu và các hậu quả tài chính sau đó. Một sự cố sốc điện có thể làm gián đoạn hoạt động, làm giảm độ chính xác và độ chính xác của các máy này, gây ra các lỗi và treo máy, thậm chí dẫn đến hư hỏng không thể khắc phục, đòi hỏi phải sửa chữa hoặc thay thế tốn kém.
Bảo vệ quá áp cho biến tần (VFD)
Thiết bị bảo vệ quá áp Có thể được sử dụng để giúp bảo vệ biến tần (VFD) khỏi các dao động điện áp, đỉnh điện áp và sự tăng đột ngột của dòng điện, thường do sét đánh gây ra.
Biến tần tần số biến đổi (VFD)
Biến tần tần số biến đổi (VFD), còn được gọi là Biến tần tốc độ biến đổi (VSD), là thành phần chính của bất kỳ bộ phận chuyển động nào trong thiết bị điện.
Thiết bị này cho phép điều khiển tốc độ của hầu hết các động cơ điện, vốn trước đây luôn hoạt động ở tốc độ cố định. Điều này được thực hiện bằng cách điều chỉnh tần số đầu ra đến các động cơ điện.
Biến tần (VFD) được sử dụng trong nhiều ứng dụng khác nhau: bảng điều khiển bơm, máy nén HVAC, băng tải, máy CNC, quạt thổi, điều chỉnh tốc độ máy công cụ, v.v. Do đó, chúng được ứng dụng rộng rãi trong nhiều ngành công nghiệp như Xử lý Nước Thải, Dầu Khí và Máy Móc Công Nghiệp.
Bảo vệ quá áp cho bộ biến tần tần số
Một bộ biến tần tần số thông thường bao gồm bộ chỉnh lưu, mạch liên kết DC, bộ nghịch lưu và mạch điều khiển điện tử (Hình 1).
Hình 1 – Nguyên lý cơ bản của bộ biến tần tần số
Tại đầu vào của bộ biến tần, điện áp xoay chiều một pha hoặc điện áp xoay chiều ba pha giữa các pha được chuyển đổi thành điện áp một chiều dao động và được đưa vào đường truyền một chiều (DC link), đồng thời cũng đóng vai trò như một hệ thống lưu trữ năng lượng (buffer).
Tụ điện trong mạch DC và các phần L-C được nối đất trong bộ lọc nguồn có thể gây ra vấn đề với các thiết bị bảo vệ dòng dư phía thượng nguồn (RCD). Những vấn đề này thường bị nhầm lẫn với các thiết bị chống sét. Tuy nhiên, chúng thực sự do dòng điện sự cố ngắn hạn của bộ biến tần có tần số cao, đủ lớn để kích hoạt các RCD nhạy cảm. Điều này có thể được ngăn chặn bằng cách sử dụng cầu dao RCD chống sét, có khả năng xả dòng điện lên đến 3 kA (8/20 µs) và cao hơn cho dòng điện kích hoạt I.∆n = 30 mA.
Biến tần cung cấp điện áp đầu ra dạng xung thông qua mạch điều khiển. Tần số xung của mạch điều khiển cho điều chế độ rộng xung càng cao, điện áp đầu ra càng giống với đường cong sin. Tuy nhiên, với mỗi xung, một đỉnh điện áp xuất hiện và được chồng lên sóng cơ bản. Đỉnh điện áp này có thể đạt giá trị trên 1200 V (tùy thuộc vào bộ biến tần tần số). Càng mô phỏng tốt đường cong sin, hiệu suất vận hành và điều khiển của động cơ càng tốt. Tuy nhiên, điều này có nghĩa là các đỉnh điện áp xuất hiện thường xuyên hơn tại đầu ra của bộ biến tần.
Để lựa chọn bộ bảo vệ quá áp phù hợp cho bộ biến tần tần số, cần xem xét điện áp hoạt động liên tục tối đa Uc, đây là giá trị quy định điện áp hoạt động tối đa mà thiết bị bảo vệ quá áp có thể được kết nối. Do các đỉnh điện áp xảy ra trong quá trình hoạt động của bộ biến tần tần số, cần sử dụng các bộ bảo vệ quá áp có giá trị Uc cao để tránh hiện tượng “lão hóa nhân tạo” do quá trình gia nhiệt của bộ bảo vệ quá áp trong điều kiện hoạt động “bình thường” và các đỉnh điện áp liên quan.
Việc gia nhiệt của thiết bị chống sét có thể dẫn đến tuổi thọ ngắn hơn và việc ngắt kết nối thiết bị chống sét khỏi hệ thống mà nó được thiết kế để bảo vệ.
Hình 2 – Kết nối vỏ bảo vệ tương thích EMC của cáp cấp nguồn động cơ
Tần số xung cao tại đầu ra của bộ biến tần gây ra nhiễu từ trường. Để tránh gây nhiễu cho các hệ thống khác, dây cấp nguồn cho động cơ phải được bọc chắn. Lớp bọc chắn của dây cấp nguồn cho động cơ phải được nối đất ở cả hai đầu, tức là tại bộ biến tần và tại động cơ.
Để đạt được mục tiêu này, cần đảm bảo tiếp xúc diện tích lớn với lớp chắn, tốt nhất là sử dụng lò xo lực cố định (Hình 2), để đáp ứng các yêu cầu về tương thích điện từ (EMC). Hệ thống nối đất liên kết, tức là việc kết nối hệ thống nối đất của bộ biến tần tần số với hệ thống nối đất của động cơ truyền động, giúp giảm sự chênh lệch tiềm năng giữa các phần khác nhau của hệ thống, từ đó ngăn chặn dòng điện cân bằng chảy qua lớp chắn.
Khi tích hợp bộ biến tần tần số vào hệ thống tự động hóa tòa nhà, tất cả các giao diện đánh giá và giao tiếp phải được bảo vệ bằng các thiết bị bảo vệ quá áp để ngăn ngừa sự cố hệ thống do quá áp gây ra. Hình 3 minh họa một ví dụ về giao diện điều khiển 4 – 20 mA.
Hình 3 – Biến tần tần số với các bộ truyền động trong khu vực bảo vệ điện áp thấp (LPZ 0)A và LPZ 1
SPD được khuyến nghị cho máy phay CNC
Bảo vệ quá áp nói chung
Quá áp có thể là lâu dài, tạm thời hoặc chỉ là một hiện tượng quá áp ngắn hạn (sóng xung). Sóng xung hoặc đỉnh áp là một hiện tượng quá áp ngắn hạn, thường cao hơn nhiều so với điện áp danh định (thường là 110%). Quá áp ngắn hạn có thể có nguồn gốc từ môi trường (sét đánh) hoặc từ hiện tượng chuyển mạch trong lưới điện. Một phương pháp bảo vệ phổ biến và hiệu quả chống lại quá áp ngắn hạn là sử dụng thiết bị chống sét.
Các thiết bị này có trở kháng phi tuyến tính cao theo hàm của điện áp được áp dụng. Trong điều kiện hoạt động bình thường (dưới điện áp ngưỡng), các thiết bị chống sét có trở kháng rất cao và chỉ có dòng rò rất nhỏ đi qua thiết bị. Khi điện áp vượt quá ngưỡng, trở kháng giảm đột ngột và thiết bị chống sét tạo ra đường dẫn cho dòng sét. Các thiết bị chống sét thường được lắp đặt giữa pha và đất, giữa các pha hoặc kết hợp cả hai.
Hình 4 – Thiết bị chống sét lắp đặt giữa pha và đất, giữa pha và pha.webp
Cách viết có thể là "surge arrester" hoặc "surge arrestor". Một tên gọi khác là "thiết bị bảo vệ quá áp" (SPD).
Các thiết bị chống sét có phù hợp để bảo vệ động cơ được cấp nguồn bởi biến tần (VFD) không?
Các thiết bị chống sét thường được sử dụng để bảo vệ thiết bị điện khỏi các điện áp quá cao. Đồng thời, nhiều bộ biến tần nguồn điện áp tạo ra các điện áp không sinusoide, gây áp lực lên cách điện của máy. Do đó, có thể đặt câu hỏi liệu các thiết bị chống sét có phải là phương tiện phù hợp để bảo vệ các động cơ được cấp nguồn từ các bộ biến tần tần số biến đổi hay không?
Câu trả lời ngắn gọn là ‘Không’. Hầu hết các hệ thống truyền động sử dụng biến tần nguồn điện áp sẽ không được hưởng lợi từ các thiết bị chống sét. Ngược lại, việc lắp đặt các thiết bị chống sét có thể gây ra...
Hình 5 – Các thiết bị chống sét có phù hợp để bảo vệ động cơ được cấp nguồn bởi biến tần (VFD) không?
Bảo vệ Biến tần tần số biến đổi bằng Thiết bị bảo vệ quá áp (SPDs)
Các hệ thống điện tử và mạng truyền thông dữ liệu dựa trên vi xử lý tiên tiến và nhạy cảm cao được tích hợp rộng rãi trong mọi lĩnh vực của thế giới kinh doanh năng động ngày nay. Bảo vệ các hệ thống quan trọng này khỏi tác động của các đợt tăng áp, đỉnh áp và dao động điện áp giúp đảm bảo rằng các hệ thống này được bảo vệ khỏi hư hỏng thiết bị, gián đoạn dịch vụ và thời gian ngừng hoạt động tốn kém. Cách triển khai các thiết bị bảo vệ quá áp (SPD) một cách hợp lý có thể quan trọng không kém việc quyết định mua chúng.
Tổng quan, các thiết bị bảo vệ chống sét được lắp đặt đúng cách giúp giảm thiểu mức độ của các sự cố điện năng ngẫu nhiên, có năng lượng cao và thời gian ngắn. Những sự cố này thường do các hiện tượng khí quyển (như sét đánh), việc chuyển mạch của hệ thống điện, tải cảm ứng và các quá áp do chính hệ thống tạo ra.
Bảo vệ ổ đĩa
Việc sử dụng các loại bộ điều khiển động cơ để điều khiển động cơ là rất phổ biến. Mục đích của bộ điều khiển là tăng hiệu suất hoặc điều chỉnh tốc độ của động cơ được điều khiển. Thông qua các quy trình và cơ chế điều khiển khác nhau, bộ điều khiển thường biến đổi dạng sóng sin để cung cấp tín hiệu cho động cơ, giúp tăng hiệu suất hoặc điều chỉnh tần số của tín hiệu để kiểm soát tốc độ của động cơ.
Do tác động của bộ điều khiển, chất lượng nguồn điện của môi trường điện có thể bị ảnh hưởng. Cụ thể, các bộ điều khiển có thể gây ra các đỉnh điện áp và hài trên hệ thống.
Áp dụng các thiết bị bảo vệ quá áp (SPDs) vào hệ thống truyền động để giảm thiểu thiệt hại có thể xảy ra do các đợt tăng áp, đồng thời xem xét tác động của các hài sóng lên thiết bị bảo vệ quá áp.
Ứng dụng của SPDs trong hệ thống truyền động
Để hỗ trợ mô tả việc áp dụng SPDs vào hệ thống truyền động, vui lòng tham khảo Hình. Hình này minh họa một bố trí hệ thống truyền động điển hình. Nguồn điện vào thường được cấu hình theo kiểu delta (3 pha và đất).
Thường thì điện áp đầu vào là 480 V, nhưng cũng có thể sử dụng các điện áp khác. Điện áp đầu vào thường được hạ áp xuống một điện áp thấp hơn (thường là 120 V AC) để cung cấp điện cho mạch điều khiển. Mạch điều khiển chứa các linh kiện điện tử nhạy cảm. Sau khi điện áp được xử lý bởi bộ điều khiển, tín hiệu đầu ra được truyền đến động cơ.
Như đã đề cập, có năm phương án bảo vệ hệ thống truyền động tiêu chuẩn – mỗi phương án được đánh dấu bằng một số trong vòng tròn và được mô tả chi tiết dưới đây.
- Đầu vào ổ đĩa
Bảo vệ đầu vào của bộ truyền động là một bước quan trọng trong việc bảo vệ hệ thống truyền động. Việc bảo vệ vị trí này giúp ngăn chặn hư hỏng do quá áp gây ra bởi các sự cố lan truyền trên hệ thống điện từ các nguồn phía trên, các sự cố bên ngoài như sét đánh và quá áp do công ty điện lực gây ra, cũng như tương tác giữa các bộ truyền động trên cùng một hệ thống.
Tại vị trí này, thiết bị mạch điện phản ứng với điện áp kết nối song song là phù hợp – không bao gồm mạch điện phản ứng với tần số. Mạch điện phản ứng với tần số không được khuyến nghị cho vị trí này vì vị trí này thường dễ bị ảnh hưởng bởi các dao động xung so với các dao động sóng chuông.
- Đầu vào biến tần
Đầu vào của bộ biến tần là một trong những khu vực nhạy cảm và quan trọng nhất của chính bộ điều khiển. Đây là vị trí mà cần phải cẩn thận và tiến hành khảo sát kỹ lưỡng. Bạn có thể lắp đặt thiết bị mạch điện phản ứng tần số kết nối song song, miễn là đã xác nhận không có tụ điện bổ sung nào được lắp đặt để giảm thiểu dòng hài trong bộ điều khiển này.
Nếu lắp đặt tụ điện bổ sung, thiết bị mạch điện phản ứng với điện áp được kết nối song song là phù hợp tại vị trí này – một thiết bị không có mạch điện phản ứng với tần số. Mạch điện phản ứng với tần số không được khuyến nghị cho vị trí này do hàm lượng hài cao đã yêu cầu lắp đặt tụ điện bổ sung. Việc lắp đặt thiết bị mạch điện phản ứng với tần số tại vị trí này sẽ dẫn đến hỏng hóc của SPD.
- Mạch điều khiển
Mạch điều khiển chứa các linh kiện điện tử nhạy cảm có thể bị hư hỏng do môi trường do bộ điều khiển tạo ra hoặc do các đợt tăng áp từ các nguồn bên ngoài. Việc bảo vệ tại vị trí này là vô cùng quan trọng.
Vì biến áp hạ áp cách ly mạch này và cấp nguồn cho các thiết bị điện tử nhạy cảm, nên khuyến nghị sử dụng SPD nối tiếp có mạch đáp ứng tần số cho vị trí này.
- Đầu ra của bộ truyền động
Nên bảo vệ đầu ra của bộ truyền động khi khoảng cách giữa bộ truyền động và động cơ dài hơn 50 ft (15 m) hoặc nếu đường dây kết nối được đi qua tường ngoài hoặc ngoài trời.
Một lý do để bảo vệ tại đầu ra ngay lập tức khi chiều dài kết nối với động cơ dài là do các sóng phản xạ có thể xảy ra khi tín hiệu (thường có tần số cao) từ đầu ra của bộ điều khiển động cơ đến động cơ và sau đó phản xạ qua lại giữa bộ điều khiển và động cơ. Hành động này có thể tạo ra “tích tụ điện áp” – điện áp phản xạ cộng vào điện áp danh định và các sóng phản xạ khác. SPD sẽ giúp giảm đỉnh điện áp của các sóng phản xạ.
Các đoạn dây dài và những đoạn được đi dọc theo tường ngoài hoặc cửa có thể gây ra sóng phản xạ. Sóng phản xạ xảy ra khi tín hiệu (thường có tần số cao hơn) từ bộ điều khiển đầu ra đến bộ điều khiển chính và bị phản xạ qua lại giữa bộ điều khiển và động cơ. Hành động này tạo ra “hiện tượng tích tụ điện áp”. Điện áp phản xạ được cộng vào điện áp danh định và các sóng phản xạ khác. SPD sẽ giúp giảm đỉnh điện áp của các sóng phản xạ.
Điều quan trọng hơn là, nếu kết nối giữa bộ điều khiển và động cơ kéo dài ra ngoài trời dọc theo một đường dẫn tiếp xúc với môi trường hoặc gần kết cấu thép của tòa nhà, việc bảo vệ tại vị trí này là cần thiết để giảm thiểu tác động của sét đánh trực tiếp hoặc các đợt tăng áp do sét đánh gần đó gây ra. Các đợt tăng áp này có thể gây hư hỏng cho bộ điều khiển, ngay cả khi đã có biện pháp bảo vệ tại đầu vào của động cơ.
Tại vị trí này, thiết bị mạch điện phản ứng với điện áp được kết nối song song là phù hợp – không bao gồm mạch điện phản ứng với tần số. Mạch điện phản ứng với tần số không được khuyến nghị cho vị trí này do hàm lượng hài cao của tín hiệu do hoạt động bình thường của bộ điều khiển. Việc lắp đặt thiết bị mạch điện phản ứng với tần số tại vị trí này sẽ dẫn đến hỏng hóc của SPD. Sử dụng thiết bị mạch điện phản ứng với điện áp tại vị trí này sẽ loại bỏ khả năng này.
- Đầu vào động cơ
Bảo vệ đầu vào động cơ là một bước quan trọng trong việc bảo vệ hệ thống truyền động. Việc bảo vệ tại vị trí này giúp ngăn chặn hư hỏng do quá áp gây ra bởi các sự cố lan truyền từ đầu ra của hệ thống truyền động đến đầu vào của động cơ. Bảo vệ vị trí này giúp kéo dài tuổi thọ của động cơ, vì SPD giúp ngăn chặn hư hỏng cuộn dây và bạc đạn của động cơ do quá áp gây ra.
Hơn nữa, nếu kết nối giữa bộ điều khiển và động cơ kéo dài ra ngoài trời dọc theo một đường dẫn tiếp xúc với môi trường hoặc gần kết cấu thép của tòa nhà, việc bảo vệ tại vị trí này là rất quan trọng để giảm thiểu tác động của sét đánh trực tiếp hoặc các đợt tăng áp do sét đánh gần đó gây ra. Các đợt tăng áp này có thể gây hư hỏng cho động cơ, ngay cả khi đã có biện pháp bảo vệ tại đầu ra của bộ điều khiển.
Tại vị trí này, thiết bị mạch điện phản ứng với điện áp được kết nối song song, không có mạch điện phản ứng với tần số là phù hợp. Mạch điện phản ứng với tần số không được khuyến nghị cho vị trí này do hàm lượng hài cao của tín hiệu do hoạt động bình thường của bộ điều khiển. Việc lắp đặt thiết bị mạch điện phản ứng với tần số tại vị trí này sẽ dẫn đến hỏng hóc của SPD. Sử dụng thiết bị mạch điện phản ứng với điện áp tại vị trí này sẽ loại bỏ khả năng này.
Bảo vệ quá áp và chống sốc điện trong biến tần tần số biến đổi (VFD)
Giống như bất kỳ hệ thống điện nào khác, hệ thống VFD cần được bảo vệ khỏi các đợt tăng áp đột ngột và các dao động điện áp quá mức. Các đợt tăng áp này có thể xuất phát từ phía nguồn điện lưới hoặc do chính bộ điều khiển tạo ra.
Thông thường, các đợt tăng áp từ hệ thống điện có tần suất thấp hơn nhưng có năng lượng và biên độ cao hơn. Các đợt tăng áp này có thể là đợt tăng áp do sét hoặc đợt tăng áp do chuyển mạch trong hệ thống điện.
Ngoài các đợt tăng áp đột ngột, việc vận hành bộ chuyển đổi/biến tần cũng có thể gây ra các đợt tăng áp quá mức, có thể gây hại cho các mạch điện tử nhạy cảm. Hệ thống bảo vệ chống tăng áp hiệu quả cho hệ thống truyền động nên bảo vệ các công tắc điện tử nguồn, mạch điều khiển và động cơ.
Trong một hệ thống truyền động thông thường, có năm vị trí để lắp đặt các thiết bị bảo vệ quá áp, như được thể hiện trong Hình 6.
Hình 6 – Các SPD được sử dụng tại các vị trí này có thể sử dụng các thiết bị bảo vệ.
Các thiết bị bảo vệ quá áp (SPD) được sử dụng tại các vị trí này có thể sử dụng các thiết bị bảo vệ với công nghệ khác nhau. Trong các sản phẩm thương mại, một số SPD có thể được tích hợp với các sản phẩm khác, chẳng hạn như bộ lọc để bảo vệ khỏi chất lượng điện năng kém hoặc biến dạng hài cao.
Tất cả các ứng dụng
| Dao quay ngẫu nhiên nâng cao với cơ chế trộn cam | Máy nén khí |
| Vỏ hộp blister Thermoformer | Máy đóng gói thùng carton |
| Máy ly tâm | Băng tải |
| Cần cẩu/Thiết bị nâng | Máy đo lực |
| Thang máy và thang cuốn | Ép đùn |
| Quạt/Thổi | Điều chỉnh độ dài |
| Máy móc tổng hợp | Hệ thống điều hòa không khí và sưởi ấm |
| Tưới tiêu | Máy dán nhãn |
| Giặt ủi | Dao cắt bay tuyến tính |
| Máy công cụ | Máy trộn |
| Đóng gói | Máy xếp pallet |
| Mài chính xác | Bơm |
| Máy dập | Dao quay |
| Máy đặt quay | Bộ cấp liệu bằng vít |
| Bàn xoay chỉ thị | Dây đai đồng bộ |
| Vải | Quấn |








