UPS with Surge Protection
Does UPS need surge protection? Yes, it does. Surge Protection Device protect UPS and devices against transient and surge current.
We find ourselves in an era dominated by electricity, unable to fathom life without its indispensable power. The imperative for a consistent and secure electricity supply has driven the adoption of vital technologies like UPS and SPD. While their common goal is to guarantee the smooth operation of electrical appliances, these two technologies differ significantly from each other.
What is Uninterruptible Power Supply (UPS)?
An Uninterruptible Power Supply (UPS) is a device that delivers work by utilizing batteries to provide continuous power to protect electronic equipment, including computers, networking equipment, medical equipment, from power disruptions. Its primary function is to provide a continuous and reliable power supply to connected devices, ensuring they remain operational during power outages, fluctuations, or surges.
UPS units contain a battery that stores electrical energy, allowing them to seamlessly switch to battery power when the main power source fails, which greatly helps in preventing data loss, equipment damage, and downtime in critical systems.
UPS devices come in various types, including standby, line-interactive, and online double-conversion. Standby UPS units are cost-effective and suitable for basic protection, while line-interactive UPS systems offer enhanced voltage regulation.
Online double-conversion UPS units provide the highest level of protection by continuously supplying power from the battery, regardless of the quality of the incoming power. Different types of UPS come with unique considerations for their end-of-life stages, and each type has specific factors to be taken into account upon reaching the end of its use.
Figure 1 – Block diagram of typical UPS system
Online UPS and offline UPS
UPS units come in two main types: Online UPS and Offline UPS, each serving as a backup power source but differing significantly in their operation.
The critical distinction lies in how they supply power to the load. An Online UPS routes power through a combination of a rectifier and inverter during normal operation, securing a constant power supply. In contrast, an Offline UPS directly sources power from the AC mains to the load.
Online UPS functions by consistently supplying power through the rectifier and inverter combo during standard operation. In case of a power failure, it seamlessly switches to the inverter, eliminating the need for a delay in switching between sources and maintaining an uninterrupted power supply without any downtime.
Figure 2 – Online UPS diagram
On the other hand, an Offline UPS delivers power directly from the AC mains during regular operation and switches to an inverter for powering the load from the DC battery during a power failure. The need to switch between two separate supply lines is inherent in this setup.
While the switching speed of an Offline UPS is around 5ms – sufficient to prevent a computer shutdown – it may not be fast enough to ensure the seamless operation of more sensitive equipment.
Figure 3 – Offline UPS diagram
What is Surge Protective Device (SPD)?
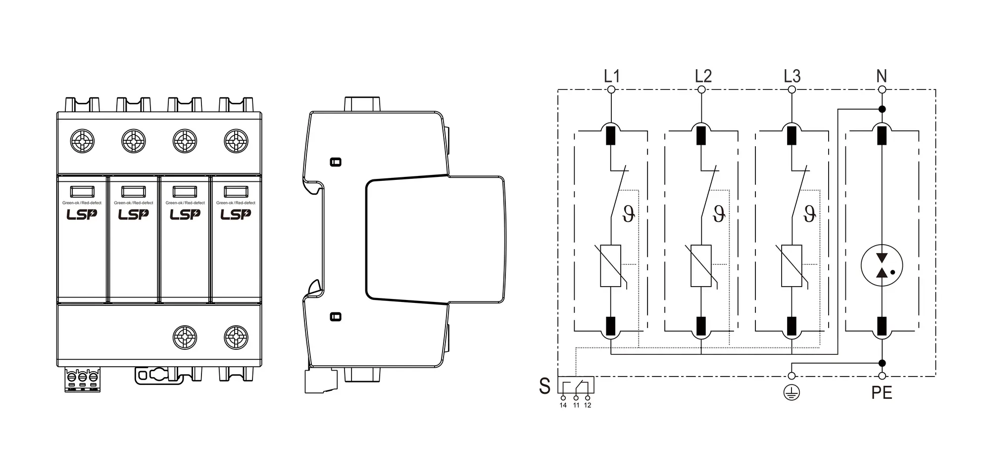
A Surge Protective Device (SPD) serves as a critical component in shielding electronic devices and systems from the detrimental effects of voltage spikes or surges. Voltage surges, arising from diverse sources like lightning strikes, power grid irregularities, or the operation of electrical equipment, pose a substantial threat to the integrity of sensitive electronics. Here, SPDs are designed to prevent potential damage caused by overvoltage conditions.
The operational mechanism of SPDs involves their ability to detect a surge in voltage. Once a surge is identified, SPDs swiftly divert the excess energy away from the connected devices and channel it safely to the ground. The measure makes sure that sensitive electronic equipment remains unharmed, even in the face of sudden and powerful voltage fluctuations.
There are different types of Surge protective devices available, each specifically designed to cater to different applications and intended end uses.
The working principle of surge protective devices is simple; it lies in the fact that they divert excess voltage and current away from sensitive equipment during electrical surges.
Metal Oxide Varistors (MOV) and Gas Discharge Tubes (GDTs) are two major components integrated into surge protective devices. The functionality of Surge Protective Devices hinges on their adept detection of voltage surges. Upon identification of a surge, MOVs seamlessly engage highly efficient protective elements.
MOVs are the keys in this process, functioning as dynamic barriers against excessive voltage. In the context of this protective framework, MOVs operate akin to memory operations, swiftly and effectively rerouting surplus energy away from connected devices. additionally, GDTs assume a specialized role within SPDs. In the event of a surge current, GDTs swiftly come into action, creating a low-resistance path to the ground.
Figure 4 – Typical SPD structure
What is the difference between a surge protective device and an uninterruptible power supply?
While both SPDs and UPS systems contribute to the protection of electronic equipment, they focus on different aspects of power-related issues. SPDs specialize in mitigating transient voltage events, offering rapid response times to divert excessive energy.
On the other hand, UPS systems are designed for continuous power supply during outages, addressing more prolonged interruptions. In practice, a comprehensive approach to power protection may involve the use of both SPDs and UPS systems, ensuring that electronic systems are shielded from both sudden surges and interruptions in the power supply.
Together, they are key devices in maintaining the reliability and integrity of electronic equipment in various applications.
| Comparison of UPS and SPD | ||
| Feature | Uninterruptible Power Supply (UPS) | Surge Protection Device (SPD) |
| Primary Function | Provides temporary backup power during outages and regulates input voltage. | Protects equipment from damaging voltage spikes and surges. |
| Power Source | Internal battery or external generator (for extended runtimes). | Connected to the main power line. |
| Typical Run Time | Varies depending on battery capacity and load. From a few seconds to several hours. | Instantaneous response to voltage spikes and surges. |
| Protection from | Power outages, brownouts, line noise, voltage fluctuations. | Voltage spikes, surges, and transients. |
| Suitable for | Critical equipment that cannot tolerate power interruptions (e.g., servers, medical devices, industrial machinery). | Sensitive electronics that are vulnerable to voltage spikes (e.g., TVs, computers, home appliances). |
| Cost | Higher initial cost due to battery and electronics. | Lower initial cost, but ongoing costs for replacements (if using replaceable surge protection modules). |
| Installation | Typically requires professional installation for larger models. | DIY installation is possible for most SPDs. |
| Maintenance | Regular battery testing and replacement when necessary. | Replace surge protection modules when they degrade or fail. |
Table 1 – UPS and SPD comparison
Surge Protector vs. UPS: Should You Get Both?
Whether you choose to deploy both surge arresters and uninterruptible power supply (UPS) depends on the specific requirements and circumstances of your electrical setup. Surge arresters, such as Surge Protective Devices, are essential for protecting electronic devices and systems from transient voltage events like lightning strikes and power surges.
On the other hand, uninterruptible power supply systems are designed to provide continuous power during outages, allowing connected devices to function seamlessly without disruption. UPS systems are particularly valuable in situations where a reliable power supply is vital, safeguarding against data loss and enabling the orderly shutdown of systems in the event of an extended power interruption.
The decision to implement both surge arresters and UPS depends on the specific vulnerabilities and priorities of your electrical infrastructure. If your concern is primarily protecting against sudden voltage spikes and surges, surge arresters may be sufficient. However, in scenarios where uninterrupted power is critical for ongoing operations, a combination of surge arresters and UPS systems provides a comprehensive solution.
Consider factors such as the sensitivity of your electronic equipment, the likelihood of voltage irregularities, and the impact of power interruptions on your operations. Conducting a thorough risk assessment can help determine the most effective combination of protective measures tailored to your specific needs. By addressing both transient voltage events and power interruptions, you can create a robust and resilient electrical infrastructure that ensures the uninterrupted functionality and longevity of your electronic systems.
Does UPS protect against lightning and surge current?
UPS systems are primarily designed to provide a reliable and uninterrupted power source during electrical outages or disruptions. They are crucial role in protecting electronic equipment by seamlessly transitioning to battery power when the main power supply fails. While their primary function is to offer a temporary power backup, many UPS units also incorporate surge protection features.
It’s essential to recognize that the surge protection capabilities of UPS devices may not be as reliable as those found in dedicated surge protective devices. Surge protectors are specifically designed to absorb and redirect excess voltage, offering a more comprehensive defense against power surges. In comparison, the surge protection provided by UPS systems is generally secondary to their main purpose of maintaining a steady power supply during outages.
However, UPS systems can still contribute to protecting electrical circuits from the damaging effects of lightning. They often include basic surge suppression to mitigate the impact of transient voltage spikes. For enhanced protection against lightning and more severe surges, additional measures such as dedicated surge protectors, lightning rods, isolation transformers, and proper grounding may be necessary.
It’s fundamental for users to be aware of the limitations of UPS surge protection and consider supplementary measures for comprehensive securing against electrical disturbances.
Can I Hook a UPS To a Surge Protector?
Integrating both an Uninterruptible Power Supply and a surge protector into your power setup is a common consideration for preserving electronic equipment. While the instinct to strengthen against potential power issues is commendable, it’s crucial to approach with caution, as combining two devices haphazardly may lead to unforeseen challenges.
One key factor to bear in mind is that UPS units typically encompass built-in surge protection mechanisms. The integral features are designed to furnish a stable and surge-free power supply during routine operation. Therefore, introducing an external surge protector may constitute an unnecessary redundancy, potentially conflicting with the UPS’s existing mechanisms.
The notion of doubling down on protection by using a surge protector alongside a UPS may seem logical, but this approach can engender complications. The overlap between devices might compromise their optimal functioning, possibly rendering one or both less effective. Significantly, there is a potential issue with the interference of the UPS’s intrinsic voltage regulation capabilities, which are essential for handling power fluctuations and maintaining a steady output.
Manufacturer guidelines and user manuals are invaluable resources in making informed decisions about combining these devices. Some manufacturers explicitly advise against using additional surge protection and deviating from recommendations could result in warranty avoidance. Adhering to manufacturer guidelines not only preserves warranty coverage but also ensures the reliable performance of your equipment.
However, it’s essential to recognize that the integration of surge protectors and UPS units can be harmonious if approached judiciously. If enhanced surge protection is a priority, opting for a high-quality standalone surge protector or a dedicated surge protection device is advisable. These devices are purpose-built to deliver effective surge suppression without impeding the functionality of a UPS.
Despite the potential benefits of utilizing both devices, caution is paramount. The cautionary stance against plugging a surge protector into a UPS or vice versa is underscored by practical concerns:
- Inadequate Power Supply: Placing a surge protector into a UPS may compromise its ability to deliver adequate power.
- Battery Wear: If a UPS is connected to a surge protector, it may solely rely on battery power, leading to premature battery wear and diminished operational capabilities.
- Overloading Risk: The current from a power strip, when channeled through a surge protector and a UPS, could overload the UPS.
- Warranty Implications: Connecting a UPS to a surge protector may infringe upon warranty terms, highlighting the need for adherence to manufacturer guidelines.
UPS with SPD
While both devices share the responsibility of addressing electronic malfunctions, their distinct roles have been previously discussed. It becomes imperative to strategically position Uninterruptible Power Supplies with surge protection when reinforcing electronic systems.
Although certain UPS units feature built-in surge protection functions, they are typically tailored to cushion against minor surges. In the face of substantial surge currents and spikes, the role of a dedicated surge protective device becomes apparent.
When confronted with significant electrical irregularities, it becomes critical to deploy specialized UPS units that not only sustain uninterrupted power during outages but also integrate advanced surge suppression mechanisms.
Real-world applications
In large-scale computer rooms or electrical plants, the connection of Uninterruptible Power Supplies and Surge Protective Devices is designed with the specific needs of the facility in mind. The setup typically involves a combination of various components to sustain reliable power supply and protection against electrical anomalies.
Uninterruptible Power Supply connected to Type 1 Surge Protective Device
In this configuration, the Uninterruptible Power Supply is connected directly to the Type 1 Surge Protective Device, for example, the Type 1 surge protector FLP25-275/3S+1 for three phases. The main power source feeds into the UPS, which provides uninterrupted power to the critical systems.
Simultaneously, the Type 1 SPD is strategically placed at the entrance point of the electrical distribution system to intercept and divert high-energy surges caused by direct lightning strikes.
UPS Connected to Type 1+2 Surge Arrester
In this configuration, the Uninterruptible Power Supply is connected to a type 1+2 Surge Protective Device, which is a combined lightning arrester and surge protector.
The main power source flows through the UPS, ensuring uninterrupted power to critical systems. The FLP12,5-275/3S+1 combined protective device is strategically placed at a key point in the electrical distribution system, offering dual functionality.
UPS Connected to Type 2 Surge Protector
In this scenario, the Uninterruptible Power Supply is connected to the SLP40-275/3S+1 for three phases. main power source is first routed through the UPS, which provides continuous power to the connected systems.
The Type 2 SPD is strategically integrated into the power distribution network, typically at the electrical panel or distribution board. The Surge Protector is designed to suppress moderate surges generated internally or externally, safeguarding the connected equipment from fluctuations in power quality.
Conclusion
In summary, UPS and SPD are vital in shielding electronic equipment from power disturbances. Uninterruptible Power Supplies guarantee continuous power, preventing disruptions during outages, while surge Protective Devices divert excess energy from voltage spikes, shielding devices against damage from lightning or power fluctuations.
With built-in surge protection features in numerous UPS units, combining SPD and UPS is generally more recommended for comprehensive defense. However, it’s critical to exercise caution when directly linking a UPS to an SPD to avoid potential conflicts that could compromise their optimal functionality.
When facing significant surge challenges, it is essential to apply both UPS and SPD in series to have sensitive devices better protected.








