Type 2 DC Surge Protection Device SLP40-DC100/2S

DIN rail installation, for 75V DC power system, high discharge capacity due to metal oxide varistor (MOV)

Main Features:

  • Location of Use: String box, Inverter

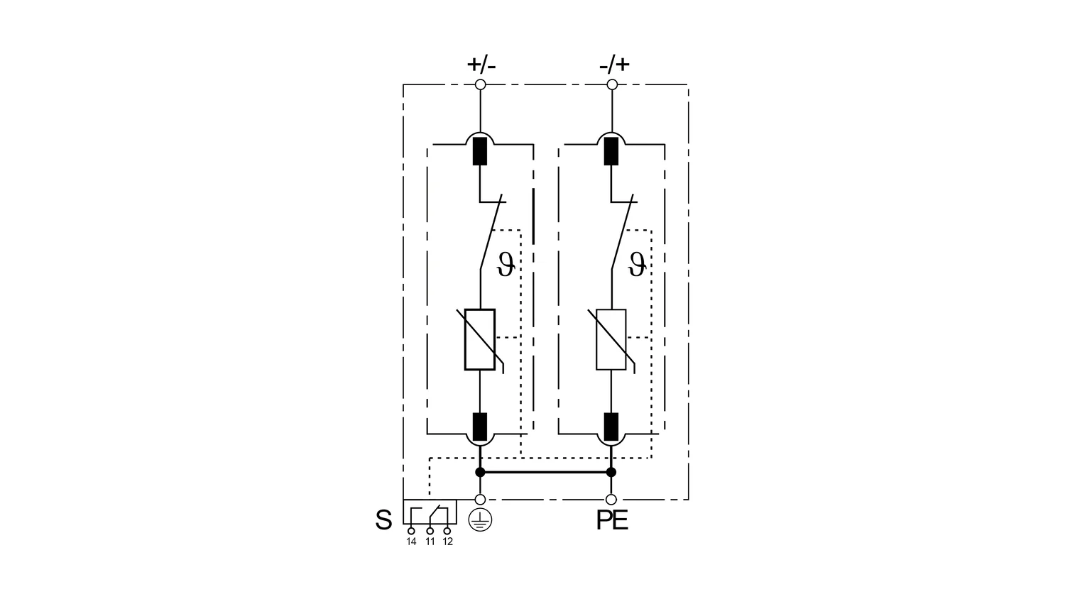
  • Mode of Protection: (DC+/-)-PE and (DC-/+)-PE

  • Surge Ratings: In = 20kA (8/20 μs), Imax = 40kA (8/20 μs)

  • IEC/EN Category: Class II / Type 2

  • Protective Elements: High Energy MOV

  • Housing: Pluggable Design

  • Compliance: IEC/EN 61643-41
  • Main Specification

    Model No.SLP40-DC100/2S
    SPD according to IEC/EN 61643-41Type 2 / Class II / Class C
    Protection modeCommon Mode (CM)
    Connection mode(DC+/-)-PE and (DC-/+)-PE
    Rated operational DC voltage Un75Vdc
    Max. continuous operating DC voltage Ucdc 100Vdc
    Nominal discharge current (8/20 μs) In20kA
    Maximum discharge current (8/20 μs) Imax40kA
    Voltage protection level Up0.55kV

    Basic Circuit Diagram

    Dimensions

    Installation Instructions

    Wiring Diagram & Installation

    Remote Signaling Terminal

    Documentation

    Related Products

    Get Free Quote Now

    Empower Sales and Maximize Market Potential with LSP