Type 2 Surge Protection Device SLP40-275/2S

Main Features:

  • Location of Use: Sub-Distribution Boards

  • Network Systems: TN-S

  • Mode of Protection: L-N, N-PE

  • Surge Ratings: In = 20kA (8/20 μs)

  • IEC/EN Category: Class II / Type 2

  • Protective Elements: High Energy MOV

  • Housing: Pluggable design

  • Compliance: IEC 61643-11:2011, EN 61643-11:2012
  • Main Specification

    Model No.SLP40-275/2S
    SPD according to IEC/EN 61643-11Type 2 / Class II / Class C
    Nominal voltage Un230V
    Max. continuous operating voltage Uc 275V
    Nominal discharge current (8/20 μs) In20kA
    Maximum discharge current (8/20 μs) Imax40kA
    Voltage protection level Up≤ 1.5kV
    Max. backup fuse125 A gG
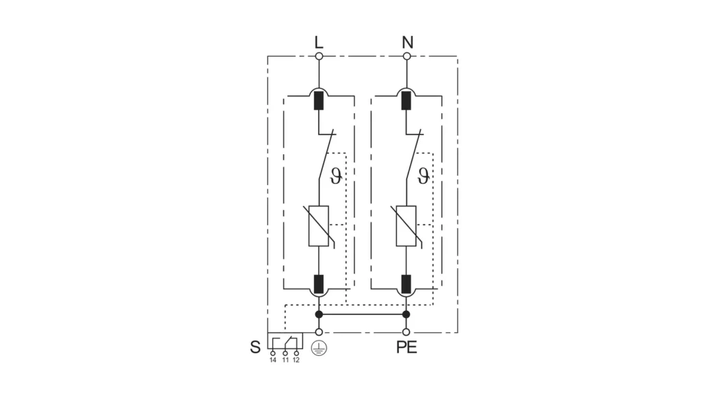
    Type of remote signalling contactyes / changeover contact

    Basic Circuit Diagram

    Dimensions

    Installation Instructions

    Wiring Diagram & Installation

    Remote Signaling Terminal

    Certificate

    Documentation

    Related Products

    Get Free Quote Now

    Empower Sales and Maximize Market Potential with LSP