Automatic Transfer Switch ATS L2H63-220/4

Main Features:

  • PC-Class change-over switch

  • Dual power supply design: power supply I (main) and power supply II (standby)

  • Supports AC systems with a rated current of 10 A to 63 A

  • Automatic switching time 20 milliseconds

  • Compliance with lEC 60947-6-1:2021
  • Specification

    TSE ClassPC-Class
    Rated Operational Voltage (AC) Ue400V
    Rated Operational Current Ie63A
    Rated Insulation Voltage (AC) Ui690V
    Rated Impulse Withstand Voltage Uimp8KV
    Rated Frequency50/60 Hz
    Automatic Switching Time 20 ms
    Pole Number4P
    Usage CategoryAC-31B
    Rated Conditional Short-Circuit Current Iq50 kA
    Rated Impulse Withstand Voltage8 kV

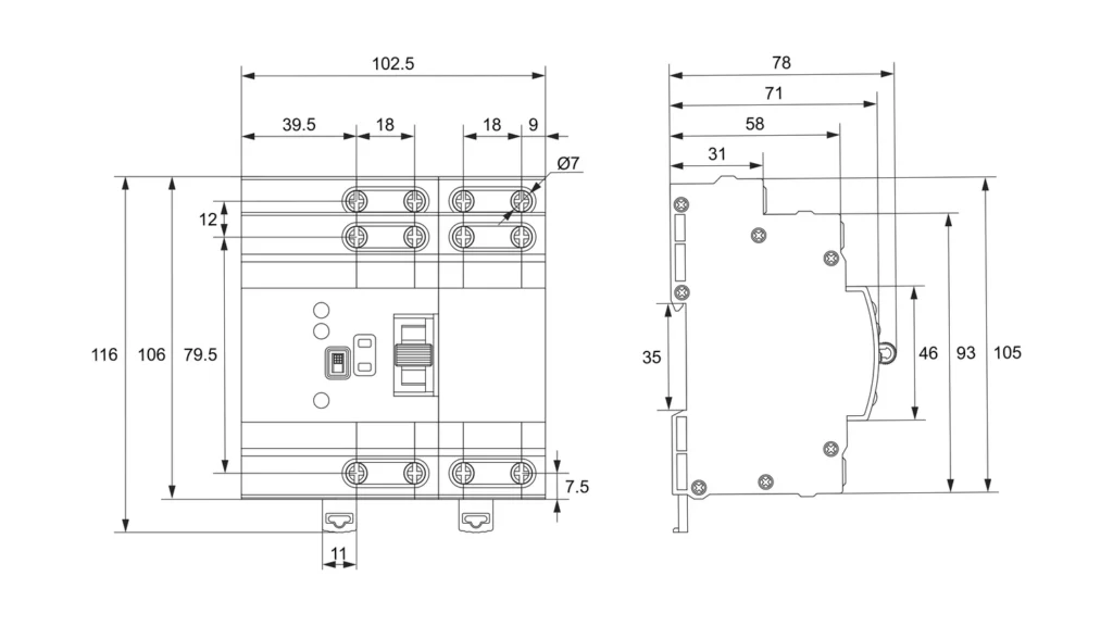
    Dimensions

    Installation Instructions

    Wiring Diagram & Installation

    Documentation

    Related Products

    Get Free Quote Now

    Empower Sales and Maximize Market Potential with LSP