Signal Surge Protector FRD4-12

The FRD4 protects two independent circuit pairs with selectable clamping voltages to match normal signal levels.

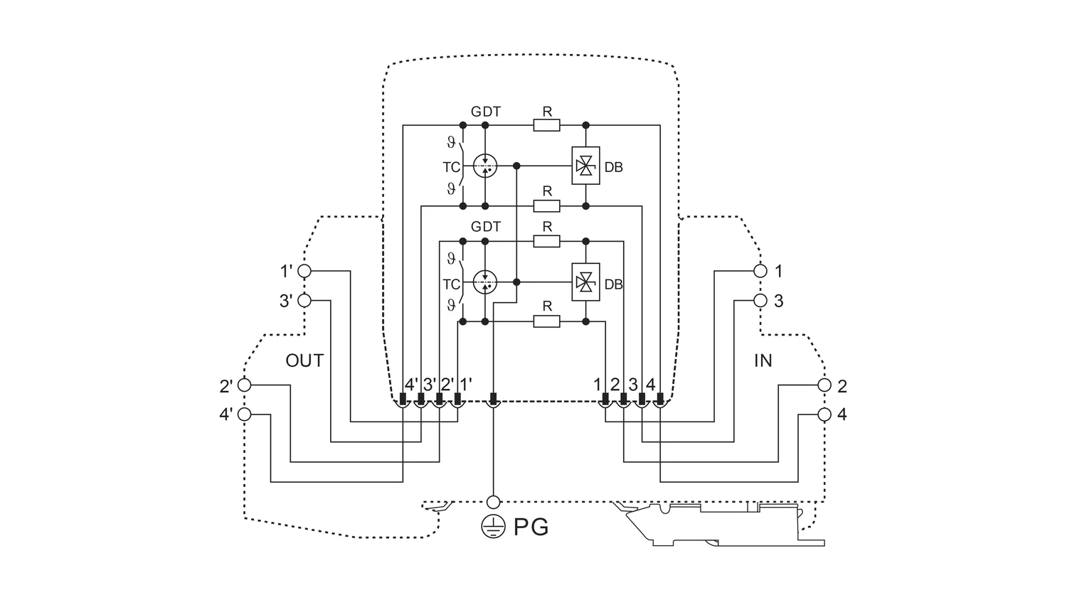
The plug-in design allows easy module replacement without rewiring. If the module is unplugged from the base, the connection Lines will be disconnected.

Main Features:

  • IEC/EN Category: D1/C1/C2/C3

  • Mode of Protection: Longitudinal, Transverse

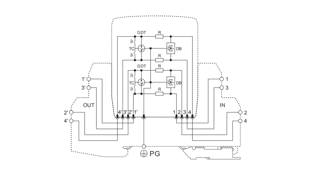
  • Coarse Protection: 3 Terminal GDT

  • Voltage: 12Vdc

  • Frequency Range: 30MHz

  • Surge Discharge Ratings: In: 10kA, Imax: 20kA, Iimp: 5kA

  • Series Load Current: 1A

  • Enclosure: DIN 43880 2/3 TE, DIN Rail Mount

  • Terminals: Stranded to 4mm2

  • Housing: Modular Design

  • Compliance: IEC/EN 61643-21
  • Main Specification

    Model No.FRD4-12
    Line conductor terminals protected2 (4 Conductors)
    Nominal operating voltage (DC) Un12V
    Maximum continuous operating voltage (DC) Uc15V
    Rated load current at 25 ºC IL1A
    C2 Nominal discharge current (8/20 μs) In10kA
    Maximum discharge current (8/20 μs) Imax20kA
    Impulse discharge current (10/350 μs) Iimp5kA

    Basic Circuit Diagram

    Dimensions

    Wiring Diagram & Installation

    Documentation

    Related Products

    Get Free Quote Now

    Empower Sales and Maximize Market Potential with LSP