Type 1 Surge Protector FLP25-275/4S

Main Features:

  • Location of Use: Main Distribution Boards

  • Network Systems: TN-S

  • Mode of Protection: L-PE, N-PE

  • Surge Ratings: Iimp = 25kA (10/350 μs), In = 25kA (8/20 μs)

  • IEC/EN Category: Class I / Type 1

  • Protective Elements: High Energy MOV

  • Housing: Monobloc design

  • Compliance: IEC 61643-11:2011, EN 61643-11:2012
  • Main Specification

    Model No.FLP25-275/4S
    SPD according to IEC/EN 61643-11Type 1 / Class I / Class B
    Nominal voltage Un230V
    Max. continuous operating voltage Uc 275V
    Impulse discharge current (10/350 μs) Iimp25kA
    Nominal discharge current (8/20 μs) In25kA
    Maximum discharge current (8/20 μs) Imax100kA
    Voltage protection level Up≤ 1.5kV
    Max. backup fuse315 A gG
    Type of remote signalling contactyes / changeover contact

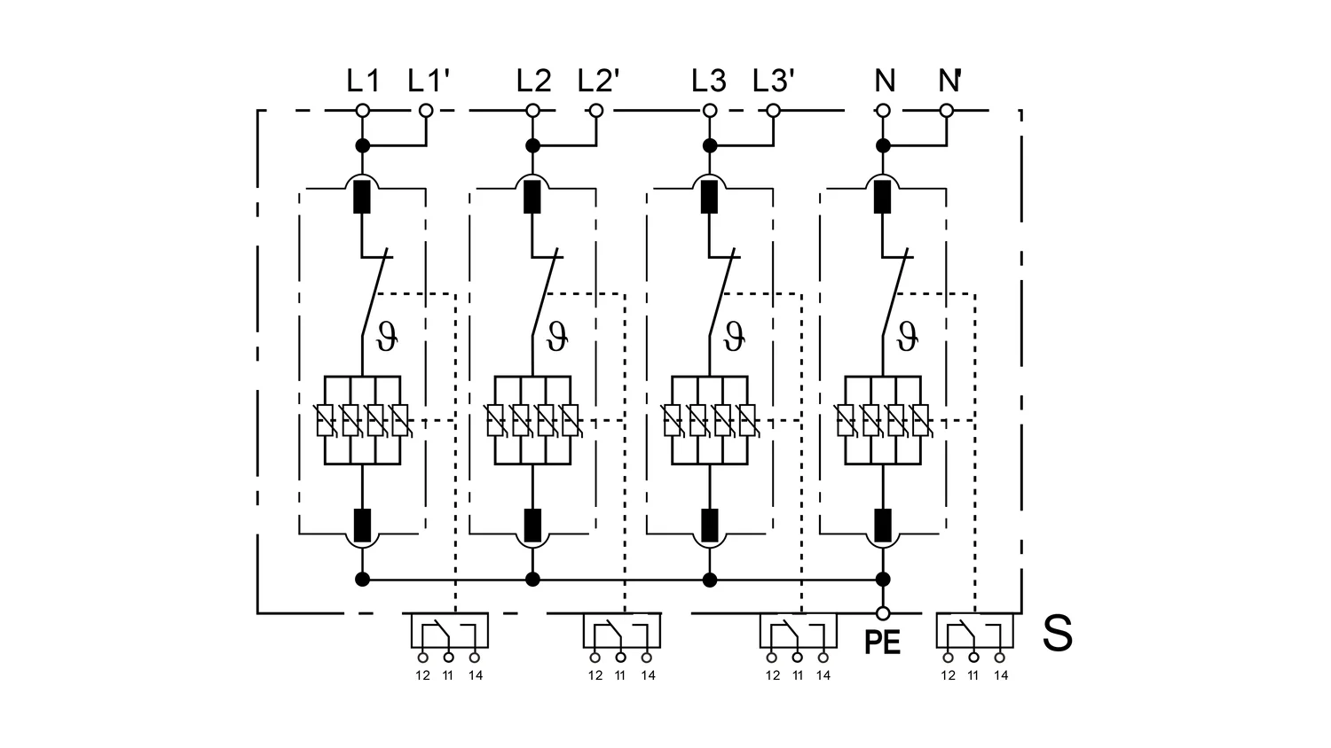
    Basic Circuit Diagram

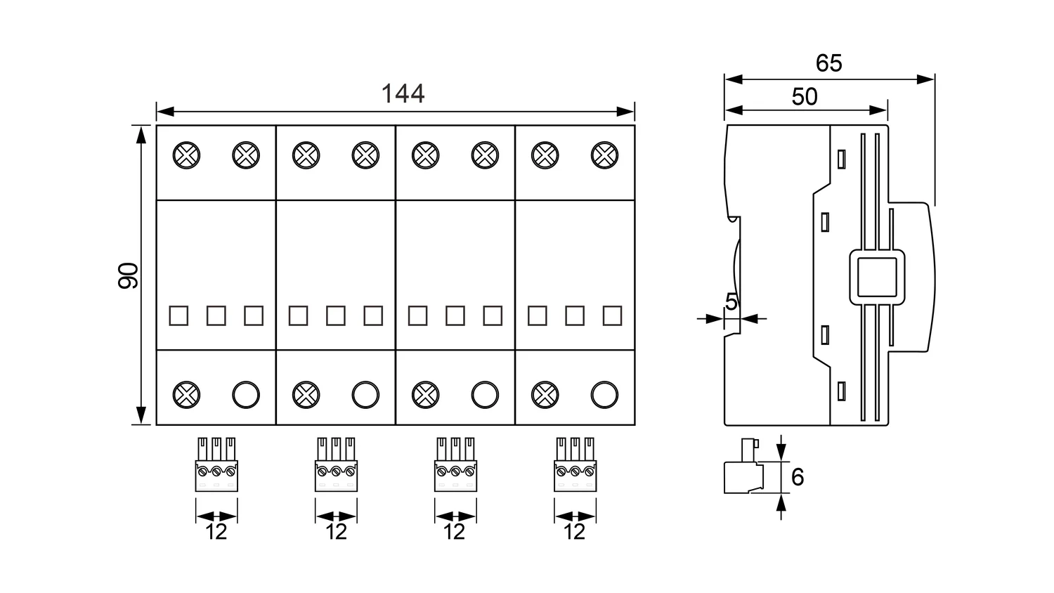
    Dimensions

    Installation Instructions

    AC Type 1 surge protection device (SPD) is characterized by a 10/350 µs lightning current waveform.

    DIN-Rail AC Type 1 surge protection devcie SPD installed at the load center’s main circuit breaker, e.g. main distribution board.

    Wiring Diagram & Installation

    The AC Type 1 Surge Protective Device (SPD) is designed to handle a 10/350 µs lightning current waveform, protecting electrical systems from direct lightning strikes and high-energy surges.
    It is typically installed at the main circuit breaker of the load center, such as the main distribution board, to provide primary surge protection and safeguard sensitive equipment.

    Remote Signaling Terminal

    Certificate

    Our Surge Protective Devices (SPDs) are TUV, CB, and CE certified and tested according to IEC/EN 61643-11 standards, ensuring reliable protection against electrical surges with high safety and performance.

    Documentation

    Related Products

    Get Free Quote Now

    Empower Sales and Maximize Market Potential with LSP